News:

        New Products
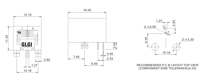
        Your present location:Home >> Products >> RJ11 series >> 5523-1-6P2C
        Product Details
        • Product Name: 5523-1-6P2C
        • Product ID: 11056-XXGXX1
        • Added time: 2011-11-29
        • Product Name: 5523-1-6P2C

        电话插座(RJ11系列)